English
English
हिन्दी
Français
Deutsch
Español
العربية
Русский
日本語
Português
Italiano
עברית
中文
한국어
ไทย
Tiếng Việt
Bahasa Indonesia
Bahasa Melayu
Kiswahili
አማርኛ
isiZulu
Hausa
Advanced Halon Reclamation and Recovery Systems for Fire-Suppression Applications Efficient handling of fire-suppression agents requires specialized Halon reclamation facilities and Halon recovery systems. These plants utilize Halon purification and Halon refilling machines to recover, clean, and safely recycle Halon, ensuring both environmental compliance and operational efficiency. Modern Halon recycling equipment often operates as a closed-loop Halon system, maintaining purity and minimizing emissions. Standards-compliant solutions, including ISO 7201 Halon purifiers, support automated Halon recovery and modular Halon reclamation, enabling scalable operations for industrial and defense applications. These advanced systems are designed for effective fire-suppression agent recovery, allowing organizations to maintain supply, reduce environmental impact, and comply with stringent regulatory requirements, making them essential for sustainable Halon management.

Halon Reclamation & Refilling Facility

About

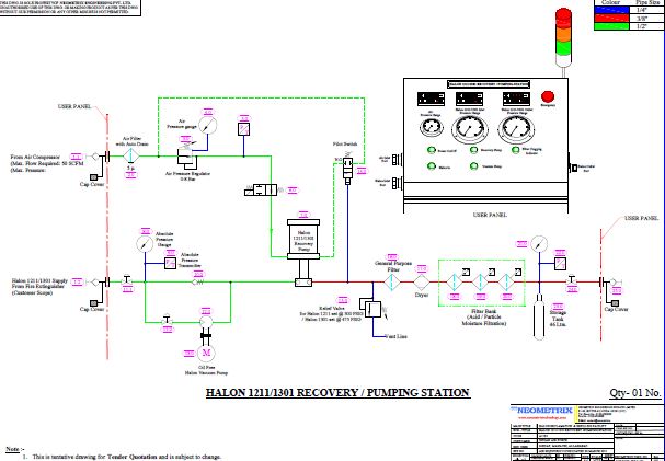
The Neometrix Halon Reclamation & Refilling Facility (HRRF) is a turnkey, modular system that automates the closed-loop recovery, purification, and recharge of Halon-1211 and Halon-1301 fire-suppression agents to better than 98% efficiency and ISO 7201/ASTM D7673 purity. Combining three-stage filtration, sub-ambient refrigeration (down to –70 °C), and vacuum-boosted Haskel pumping with an integrated laboratory suite (GC, mass spectrometry, moisture titration, residue testing), it certifies reclaimed Halon to laboratory standards. Skid-mounted modules and IoT-enabled PLC/HMI control allow scalable throughput, remote monitoring, and predictive maintenance. Deployed in defense hangars, research labs, industrial plants, or as a trailer-mounted rapid-response unit, the HRRF ensures regulatory compliance and uninterrupted fire-safety readiness, backed by turnkey installation, annual maintenance contracts, and comprehensive training and documentation.
No Image

Image Gallery

Technical Details

Parameter Specification
Throughput 200 tons/year at 1.5 kg/min (designed for 280 working days/year)
Recovery Efficiency > 98 % mass-balance Halon recovery
Purity Standards ISO 7201 & ASTM D7673 compliance
Core Modules • Reclamation Unit: Three-stage filters + cascaded refrigeration • Pumping Stations: Dual air-driven Haskel pumps (gravity, pump-only, vacuum-assist) • Laboratory Suite: GC, mass spectrograph, Karl Fischer titrator, residue tester, boiling-point analyzer
Utilities 25 HP oil-free air compressor (80 gal tank), 62.5 kVA silent diesel generator, 7.5 CFM vacuum pumps
Control & Safety PLC with HMI, automated alarms, helium leak-tested piping
• Defense & Aerospace Maintenance: On-site reclamation of Halon-filled extinguishers in hangars and aboard naval vessels, reducing logistics for off-site disposal and ensuring immediate availability of certified-grade agents.
• Research & Certification Laboratories: Production of ultra-pure Halon for flammability testing, explosion-suppression research, and validation of clean-agent blends under MIL-STD protocols.
• Industrial Process Safety: Centralized recovery for data centers, petrochemical plants, and power stations—where zero-residue fire suppression is essential—synchronized with scheduled maintenance shutdowns to maintain continuous operations.
• Emergency Response & Forward Bases: Trailer-mounted variant delivers plug-and-play Halon recovery within 48 hours to remote sites or disaster zones, leveraging onboard power and compressed-air supply for rapid replenishment. All applications leverage automated data logging and batch-certification reporting, generating ISO 7201/MIL-STD certificates on demand for regulatory audits and quality-management workflows.
        

Key Features

  • Fully Automated Process: Push-button operation with PLC/HMI control
  • High-Purity Output: Multi-stage filtration + sub-ambient refrigeration
  • Dual-Mode Pumping: Vacuum-boosted Haskel pumps for > 98 % recovery
  • Integrated QC Lab: Onboard GC, mass spec, moisture titration, residue testing
  • IoT-Enabled Monitoring: Remote access to real-time process data
  • Modular, Scalable Design: Skid-mounted modules for incremental capacity expansion
  • Eco-Friendly Refrigeration: Low-GWP refrigerant blends
  • Automated Reporting: Customizable batch certificates for compliance
  • Rapid Mobilization: Trailer-mounted option for field deployment

Download Gallery

×

Enquire Now

and we will get back to you.

Details

Introduction
The Halon Reclamation & Refilling Facility (HRRF) by Neometrix Engineering is a fully integrated, turnkey solution engineered to recover, purify, and recharge Halon-1211 and Halon-1301 fire-suppression agents. At its core, the HRRF automates a closed-loop process: spent Halon is evacuated to deep vacuum, routed through three-stage filtration (acid removal, moisture trap with indicator, particulate filter), then through cascaded refrigeration (down to –70 °C for Halon-1301, –20 °C for Halon-1211) with non-condensable gas venting. An embedded PLC/HMI orchestrates every sequence with safety interlocks and real-time alarms, while IoT-enabled remote monitoring tracks pressure, temperature, flow, and purity to optimize uptime and lifecycle costs. Integrated gas chromatography, mass spectrometry, moisture titration, residue testing, and boiling-point analysis certify each batch to ISO 7201 and ASTM D7673, ensuring reclaimed Halon matches virgin stock in performance and compliance.

Technical Specifications
Parameter Specification
Throughput 200 tons/year at 1.5 kg/min (designed for 280 working days/year)
Recovery Efficiency > 98 % mass-balance Halon recovery
Purity Standards ISO 7201 & ASTM D7673 compliance
Core Modules • Reclamation Unit: Three-stage filters + cascaded refrigeration • Pumping Stations: Dual air-driven Haskel pumps (gravity, pump-only, vacuum-assist) • Laboratory Suite: GC, mass spectrograph, Karl Fischer titrator, residue tester, boiling-point analyzer
Utilities 25 HP oil-free air compressor (80 gal tank), 62.5 kVA silent diesel generator, 7.5 CFM vacuum pumps
Control & Safety PLC with HMI, automated alarms, helium leak-tested piping
Applications • Defense & Aerospace Maintenance: On-site reclamation of Halon-filled extinguishers in hangars and aboard naval vessels, reducing logistics for off-site disposal and ensuring immediate availability of certified-grade agents. • Research & Certification Laboratories: Production of ultra-pure Halon for flammability testing, explosion-suppression research, and validation of clean-agent blends under MIL-STD protocols. • Industrial Process Safety: Centralized recovery for data centers, petrochemical plants, and power stations—where zero-residue fire suppression is essential—synchronized with scheduled maintenance shutdowns to maintain continuous operations. • Emergency Response & Forward Bases: Trailer-mounted variant delivers plug-and-play Halon recovery within 48 hours to remote sites or disaster zones, leveraging onboard power and compressed-air supply for rapid replenishment. All applications leverage automated data logging and batch-certification reporting, generating ISO 7201/MIL-STD certificates on demand for regulatory audits and quality-management workflows. Key Features 1. Fully Automated Process: Push-button operation with PLC/HMI control 2. High-Purity Output: Multi-stage filtration + sub-ambient refrigeration 3. Dual-Mode Pumping: Vacuum-boosted Haskel pumps for > 98 % recovery 4. Integrated QC Lab: Onboard GC, mass spec, moisture titration, residue testing 5. IoT-Enabled Monitoring: Remote access to real-time process data 6. Modular, Scalable Design: Skid-mounted modules for incremental capacity expansion 7. Eco-Friendly Refrigeration: Low-GWP refrigerant blends 8. Automated Reporting: Customizable batch certificates for compliance 9. Rapid Mobilization: Trailer-mounted option for field deployment Installation & Commissioning • Site Integration: Civil works, piping, wiring, HVAC tie-ins, and earthing per approved GA/layout drawings • Commissioning Support: Pre-dispatch inspection, FAT/SAT, helium leak-checks, degrease/dry cycles • Project Timeline: Complete handover within 12 months of purchase order, with milestone-based acceptance Maintenance & Support • Annual Maintenance Contract (AMC): Preventive servicing, filter replacements, instrument calibrations, vacuum-pump overhaul • Remote Diagnostics & Updates: 24×7 IoT alerts and firmware patches • Spare-Parts Kit: Ten-year consumables package (filters, seals, O-rings) Training & Documentation • Operator Training: On-site PLC/HMI operation, SOP walkthroughs, safety drills, emergency shutdown procedures • Comprehensive Manuals: Detailed operator, maintenance, and SOP manuals (including Hindi diagrams), P&IDs, circuit schematics • Compliance Reporting: Automated batch reports (ISO 7201/MIL-STD) for audits Conclusion The Neometrix HRRF delivers a future-proof, environmentally responsible platform for Halon-1211 and Halon-1301 management. By merging automated closed-loop recovery, sub-ambient refrigeration, multi-stage filtration, and laboratory-grade validation with turnkey installation, scalable architecture, and 24×7 remote support, it maximizes asset utilization and minimizes environmental impact. Whether deployed in defense hangars, research laboratories, industrial plants, or emergency field operations, the HRRF ensures sustained fire-safety readiness and regulatory compliance across every application.

Similar Products

Share This Page

move to top arrow